DMX512和谈
1.和谈简介
DMX是Digital MultipleX的缩写,意为多路数字传输。DMX512 节造和谈是美国舞台灯光协会(USITT)于1990年颁布的灯光节造器与灯具设备进行数据传输的工业尺度 ,全称是 USITT DMX512(1990) ,蕴含电气个性、 数据和谈、 数据体式等方面的内容。
2.电气个性和物理层
2.1.电气个性
DMX512选取EIA-485尺度。
发送端:逻辑“1”以两线间压差+(2~6)V暗示;
逻辑“0”以两线间压差为-(2~6)V暗示;
接管端:A比B高200mv以上即以为是逻辑“1”;
A比B低200mv以上即以为是逻辑“0”。
2.2.拓扑结构
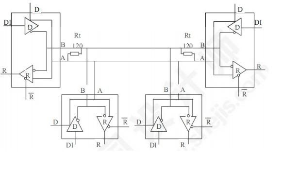
如图1所示为EIA-485电路拓扑结构,一条EIA-485数据链路蕴含一个差分线驱动设备(D)和多个差分接管终端(R)。

图1基于485的 DMX512拓扑结构
2.3.DMX512 端口及数据链路
由于是选取485差分信号传输,因而DMX512端口通常选取3针或5针接口,相对应的导线则为1对或2对双绞线,导线同时应选取箔片或编织筛包裹。XLR针口分配如下表1所示,其中辅助数据链路能够不用。
作用 | 尺度中针的界说 | DMX512职能 |
公共地 | 1 | 屏蔽地 |
重要数据链路 | 2(黑) | 数据1- |
3(白) | 数据1+ | |
辅助数据链路 | 4(绿) | 数据2- |
5(红) | 数据2+ |
表1 DMX512端口信号分配
基于EIA-485传输距离理论上能够达到1200m,建议节造在800m以内,若要加长传输距离,则需思考中继器。DMX512数据链路的终接方式应解除信号环路和信号反射,不然可能导致正确设计的系统出现误操作。选取结终端电阻的方式能够解除信号反射,DMX512尺度要求,终端电阻应搁置在数据+和数据-信号针之间,阻抗领域120Ω+5%~120Ω-10%。
DMX512和谈是一种基于主从式的和谈,可能适应一对多的灯光节造系统。该和谈固然能把分歧厂家产品衔接起来并执行节造,但由于只能单向传输,节造台与被控设备之间无法实现真正的信息交互,被控设备只能被动地接管节造台的节造信息,被控设备自身的状态信息不能反馈到节造台。该和谈要求节造台必须提前为被节造设备分配好地址,以便被节造设备可能正确无误地接管节造指令。但由于信息帧结构中没有传输地址,因而若是某一帧信号由于滋扰等原因导致在传输中出现谬误,那么此帧后面的所有信息均将出现误传,同时信息犯错后,灯具不能回馈犯错信息,这是限度基于DMX512和谈的设备发展的重要原因。